
| Specification | E-QPF |
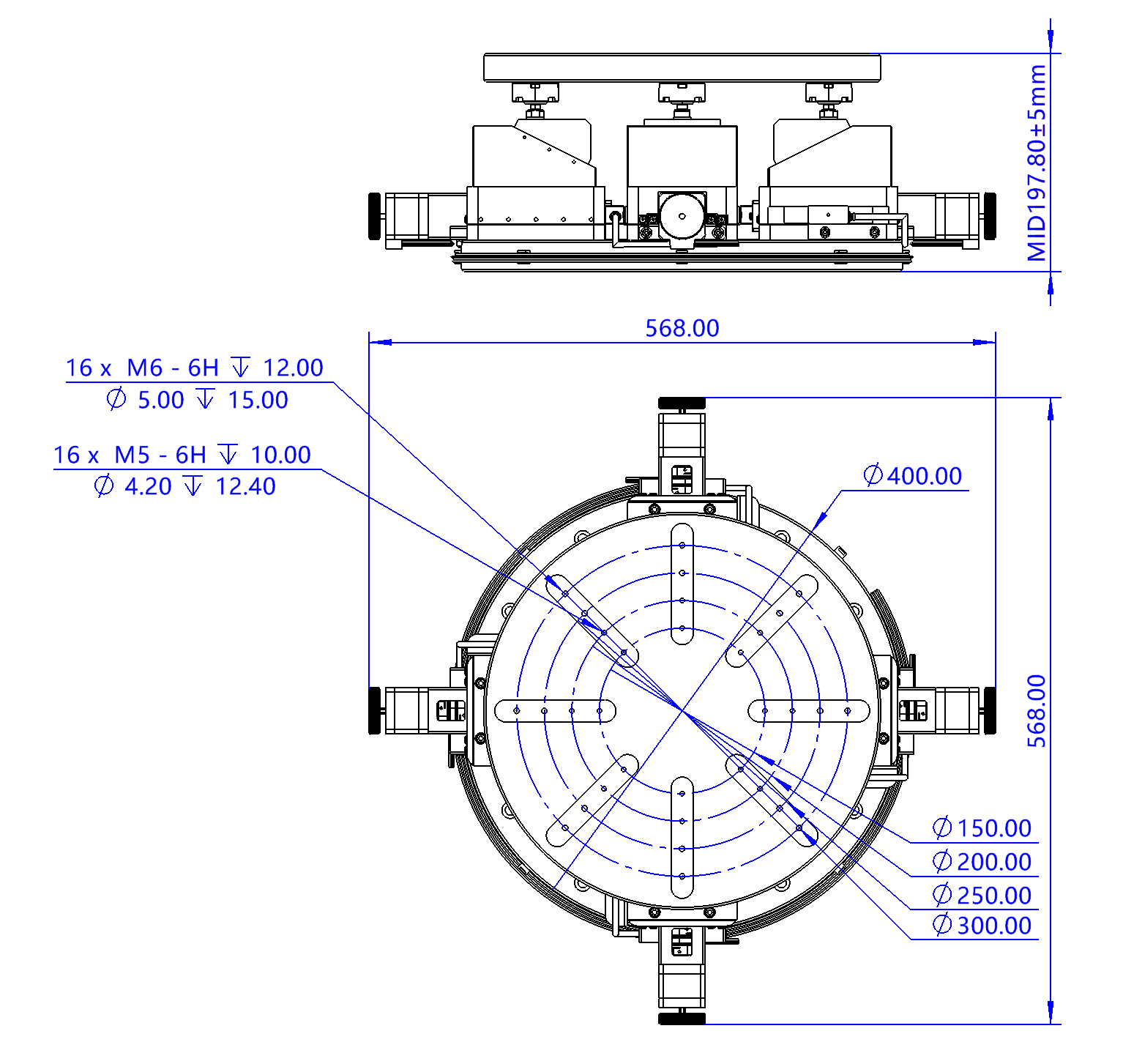
| Z axis maximum travel | ±5mm |
| Z axis grating resolution | 5nm |
| Z axis repeatability | ±0.1um |
| Position stability | ±20nm |
| Maximum speed | 10mm/s |
| Maximum acceleration | 2m/s |
| θX/θY maximum travel | ±1° |
| θ axis resolution | 0.1sec |
| θ axis repeatability | ±1sec |
| Maximum speed | 25°/s |
| Maximum acceleration | 100°/s^2 |
| Maximum load | 60kg |
